Магазин запчастей для бытовой техники - Arlos
Москва
close
Выберите ваш регион
АбаканАлександровАльметьевскАнгарскАрзамасАрмавирАртемАрхангельскАстраханьАчинскБалаковоБалашихаБеларусьБелгородБердскБерезникиБийскБлаговещенскБратскБрянскВеликий НовгородВидноеВладивостокВладикавказВладимирВолгоградВолгодонскВолжскийВологдаВолховВоркутаВоронежВоскресенскВыборгГатчинаГеленджикГрозныйДедовскДербентДзержинскДзержинскийДимитровградДмитровДолгопрудныйДомодедовоДонецкЕвпаторияЕгорьевскЕкатеринбургЕлецЕссентукиЖелезногорскЖелезнодорожныйЖуковскийЗеленоградЗлатоустИвановоИвантеевкаИжевскИркутскИстраЙошкар-ОлаКазаньКалининградКалугаКаменск-УральскийКамышинКаспийскКемеровоКерчьКировКисловодскКлинКовровКоломнаКомсомольск-на-АмуреКопейскКоролёвКостромаКотельникиКрасногорскКраснодарКраснознаменскКрасноярскКурганКурскКызылЛенинск-КузнецкийЛипецкЛобняЛыткариноЛюберцыМагнитогорскМайкопМалаховкаМахачкалаМиассМоскваМурманскМуромМытищиНабережные ЧелныНазраньНальчикНаро-ФоминскНахабиноНаходкаНевинномысскНефтекамскНефтеюганскНижневартовскНижнекамскНижний НовгородНижний ТагилНовокузнецкНовокуйбышевскНовомосковскНовороссийскНовосибирскНовоуральскНовочебоксарскНовочеркасскНовошахтинскНовый УренгойНогинскНорильскНоябрьскОбнинскОдинцовоОктябрьскийОмскОрелОренбургОрехово-ЗуевоОрскПавловский ПосадПензаПервоуральскПермьПетрозаводскПетропавловск-КамчатскийПодольскПрокопьевскПсковПушкиноПятигорскРаменскоеРеутовРостов-на-ДонуРубцовскРыбинскРязаньСакиСалаватСамараСанкт-ПетербургСаранскСаратовСевастопольСеверодвинскСеверскСергиев ПосадСерпуховСимферопольСмоленскСосновый БорСочиСтавропольСтарый ОсколСтерлитамакСтупиноСургутСызраньСыктывкарТаганрогТамбовТверьТихвинТольяттиТомилиноТомскТроицкТулаТюменьУлан-УдэУльяновскУссурийскУсть-ИлимскУфаУхтаФеодосияФрязиноХабаровскХанты-МансийскХасавюртХимкиЧебоксарыЧелябинскЧереповецЧеркесскЧеховЧитаШахтыЩелковоЭлектростальЭлистаЭнгельсЮжно-СахалинскЯкутскЯлтаЯрославль
  • - бесплатно по РФ
    Автоперезвон. Работает по принципу: Вы позвонили на номер, мы сбрасываем звонок и перезваниваем через 3 секунды.
  • - по Москве
  • 8 (925) 663-83-63

Call-центр

пн-вс: 10:00-19:00

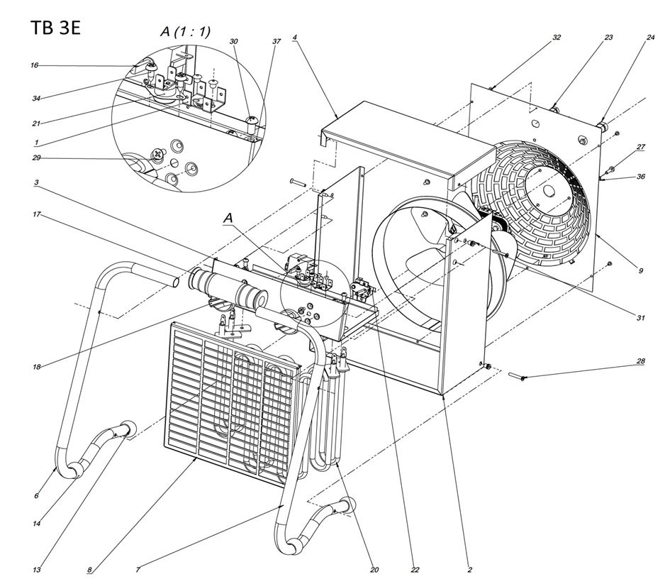
ЗАПЧАСТИ ДЛЯ НАГРЕВАТЕЛЯ ЭЛЕКТРИЧЕСКОГО (ТЕПЛОВЕНТИЛЯТОРА) ELITECH ТВ 3Е

NАртикулНазваниеСрок отгрузкиЦенаКупить
1 1401.090300 Колодка заземления
2 1401.090350 Корпус
3 1401.090400 Кронштейн
4 1401.090450 Крышка
5 1401.090500 Обечайка
6 1401.090550 Опора (левая)
7 1401.090600 Опора (правая)
8 1401.090650 Решетка
9 1401.090700 Стенка
10 1401.090750 Комплект проводов
12 1401.090800 Крыльчатка F200-28 118 р.
13 1401.090850 Опора
14 1401.090900 Опора
16 1401.090950 Переключатель Rotary Switch XK1-233,2-1 ТВ 9ЕКТ. См.1401.090951 194 р.
17 1401.091000 Рукоятка
18 1401.091050 Рукоятка PP-40И 28 р.
20 1401.091100 ТЭН ST0758 1500Вт 549 р.
21 1401.091150 Термостат KSD 301. 250В, 16A, 90°C, FBVL. ТВ 3Е 128 р.
22 1401.091200 Термостат KST 501-N. 250В, 16А, 20-120°С, регул. ТВ 9ЕКТ. СМ. 1401.055200 .066100 .066110 .090110 121 р.
23 1401.091250 Зажим провода SB5R-1
24 1401.091300 Фиксатор 6N-4 (15,9х14,1)
25 1401.091350 Кабель сетевой ПВС-ВП 2х1,5+1х1,5 (RAL 9005 черный, евровилка)
26 1401.091400 Эл. двигатель YJF5-00 5, 30Вт 1.024 р.
Найдено товаров: 23
1
▲ Наверх
0
8 (925) 663-83-63

Call-центр

пн-вс: 10:00-19:00

НАЙТИ ПО МОДЕЛИ
Введите номер заказа
Введите номер своего заказа, что бы узнать его текущий статус.
Что бы получить доступ к расширенным функциям, пройдите не сложную регистрацию. Зарегистрироваться